产品展示科技引领发展,创新改变世界
首页 - 产品展示 - 输送链系列

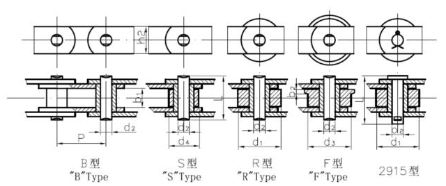
焊接链

所属分类: 输送链系列
咨询电话:13701504498
产品介绍
产品名称:焊接链
产品规格:
添加时间:2023-01-23 13:33:05
产品介绍:

 




 

更多产品